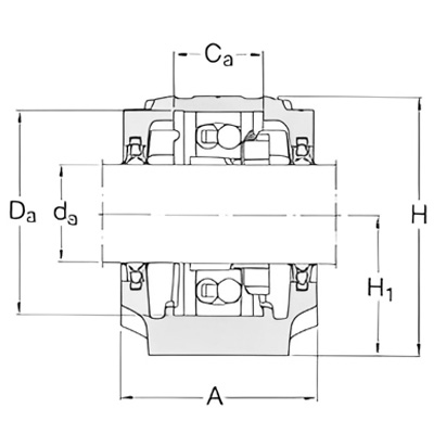
• 轴径
    da 30
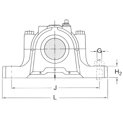
  • 轴承座
    A 82
    A1 52
    H 93
    H1 50
    H2 22
    J 150
    L 185
    N 20
    N1 15
    G 12
  • 质量 2.2
  • 型号
    两侧
    带密封件的
    轴承座
    SNL306TG
    组件
    轴承座
    SNL507-606
    密封件 TSN306G
    端盖 ASNH507-606
  • 座孔
    db 35
    Ca 34
    Da 72
  • 连密封件的总宽度
    A2 94
    A3 155
  • 适用轴承和相关部件
    自动调心球轴承
    球面滚子轴承
    定位环
    每个轴承座
    需要2个
    自动调心球轴承
    球面滚子轴承
    CARB轴承
    -
    定位环
    每个轴承座
    需要2个
    -