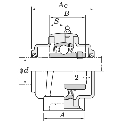
• 轴径 [mm] d 20
  • 尺寸 [mm]
    H 33.3
    L 127
    A 38
    J 95
    N 13
    N1 18
    H1 13
    H₂ 64
    L1 38
    B 31
    S 12.7
  • 安装螺栓的公称型号 M10
  • 组件的公称型号 UCP204
  • 适用轴承箱(普通品) P204
  • 适用轴承
    公称型号 UC204
    基本额定负荷[kN]Cr 12.8
    基本额定负荷[kN]Cor 6.65
    系数 fo 13.2
  • 带防尘盖组件的公称型号
    带钢板盖(贯通型) UCP204C
    带钢板盖(一端密闭型) UCP204CD
    带铸铁盖(贯通型) UCP204FC
    带铸铁盖(一端密闭型) UCP204FCD
  • 盖的尺寸 [mm]
    As 44
    Ac 62
  • (参考)组件质量[kg]
    普通品、带钢板盖 0.66
    带铸铁盖 0.96