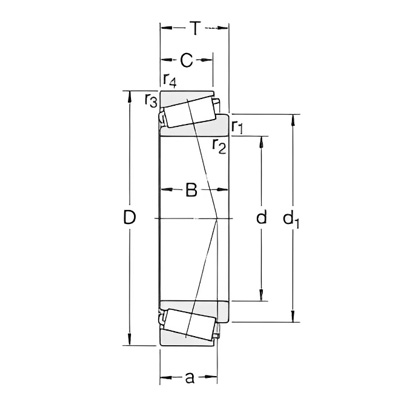
• 基本尺寸[mm]
    d 17
    D 47
    T 15.25
  • 基本额定负荷[kN]
    动态 C 28.1
    静态 Co 25
  • 疲劳负荷极限 [Pu] 2.75
  • 额定转速[r/min]
    参考转速 12000
    极限转速 16000
  • 质量[kg] 0.13
  • 型号 30303J2
  • ISO335 尺寸系列 (ABMA) 2FB
  • 尺寸[mm]
    d1
    30.4
    B 14
    C 12
    r1,2
    最小
    1
    r3,4
    最小
    1
    a 10
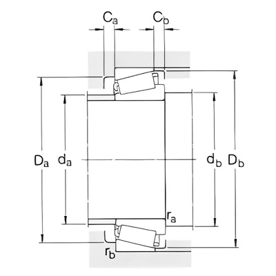
  • 挡肩及倒角尺寸[mm]
    da
    最大
    25
    db
    最小
    23
    Da
    最小
    40
    Da
    最大
    41
    Db
    最小
    42
    Ca
    最小
    2
    Cb
    最小
    3
    ra
    最大
    1
    rb
    最大
    1
  • 计算系数
    e 0.28
    Y 2.1
    Yo 1.1