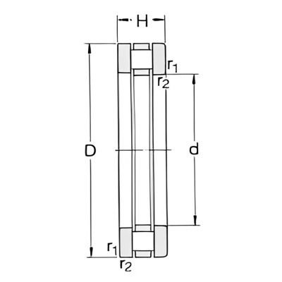
• 基本尺寸mm
    d 530
    D 640
    H 85
  • 基本额定负荷[kN]
    动态 C 1730
    静态 Co 10600
  • 疲劳负荷极限 [Pu] 680
  • 最小负荷系数 A 9
  • 额定转速[r/min]
    参考转速 260
    极限转速 530
  • 质量[kg] 55.5
  • 型号 811/530M
  • 尺寸[mm]
    d1
    635
    D1
    535
    B 25.5
    Dw 34
    r1,2
    最小
    3
  • 挡肩及倒角尺寸[mm]
    da
    最小
    632
    Da
    最大
    554
    ra
    最大
    2.5
  • 各部件型号
    圆柱滚子-保持架组件 K811/530M
    轴圈 WS811/530
    座圈 GS811/530