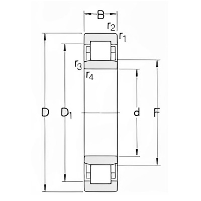
• 基本尺寸[mm]
    d 85
    D 180
    B 41
  • 基本额定负荷[kN]
    动态 C 340
    静态 Co 335
  • 疲劳负荷极限 [Pu] 41.5
  • 额定转速[r/min]
    参考转速 4000
    极限转速 4800
  • 质量[kg] 5.25
  • 型号 NU317ECM/C3VL0241
  • 尺寸[mm]
    d1
    153
    F 108
    r1,2
    最小
    3
    r3,4
    最小
    3
    s1) 2.3
  • 挡肩及倒角尺寸[mm]
    da
    最小
    99
    da
    最大
    105
    db
    最小
    111
    Da
    最小
    158
    Da
    最大
    166
    ra
    最大
    2.5
    rb
    最大
    2.5
  • 计算系数
    kr 0.15