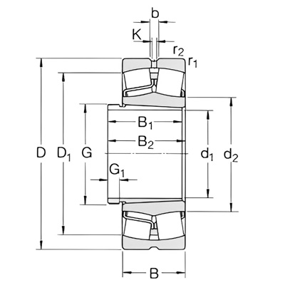
• 基本尺寸[mm]
    d1 55
    D 130
    B 46
  • 基本额定负荷[kN]
    动态 C 310
    静态 Co 335
  • 疲劳负荷极限 [Pu] 36.5
  • 额定转速[r/min]
    参考转速 4000
    极限转速 5300
  • 质量轴承+退卸套 3.3
  • 型号
    轴承 22312EK
    退卸套 AHX2312
  • 尺寸[mm]
    d2
    77.9
    D1
    110
    B1 58
    B21) 61
    G M65×2
    G1 11
    b 8.3
    k 4.5
    r1,2
    最小
    2.1
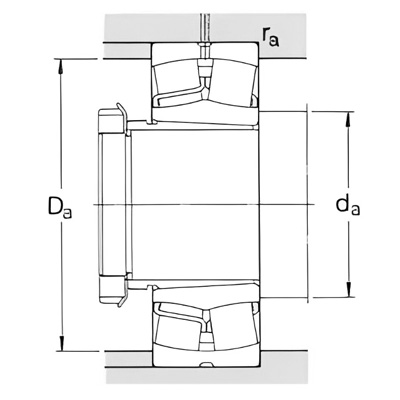
  • 挡肩及倒角尺寸[mm]
    da
    最大
    72
    Da
    最大
    118
    ra
    最大
    2
  • 计算系数
    e 0.35
    Y1 1.9
    Y2 2.9
    Yo 1.8