• 基本尺寸[mm]
    d 100
    D 200
    B 53
  • 基本额定负荷[kN]
    动态 C 124
    静态 Co 52
  • 疲劳负荷极限 [Pu] 2.12
  • 额定转速[r/min]
    参考转速 6000
    极限转速 4300
  • 质量轴承+紧定套 8.85
  • 型号
    轴承 2222KM
    紧定套 H322
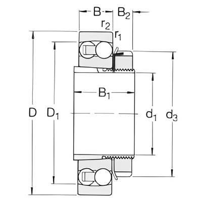
  • 尺寸[mm]
    d3 145
    D1
    177
    B1 77
    B2 21
    r1,2
    最小
    2.1
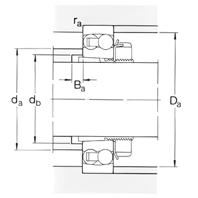
  • 挡肩及倒角尺寸[mm]
    da
    最大
    137
    db
    最小
    118
    Da
    最大
    188
    Ba
    最小
    8
    ra
    最大
    2
  • 计算系数
    e 0.28
    Y1 2.2
    Y2 3.5
    Y0 2.5